搜索

×
产品业务

AP系列开关部件

AP系列开关部件

AP系列开关部件

产品简介:

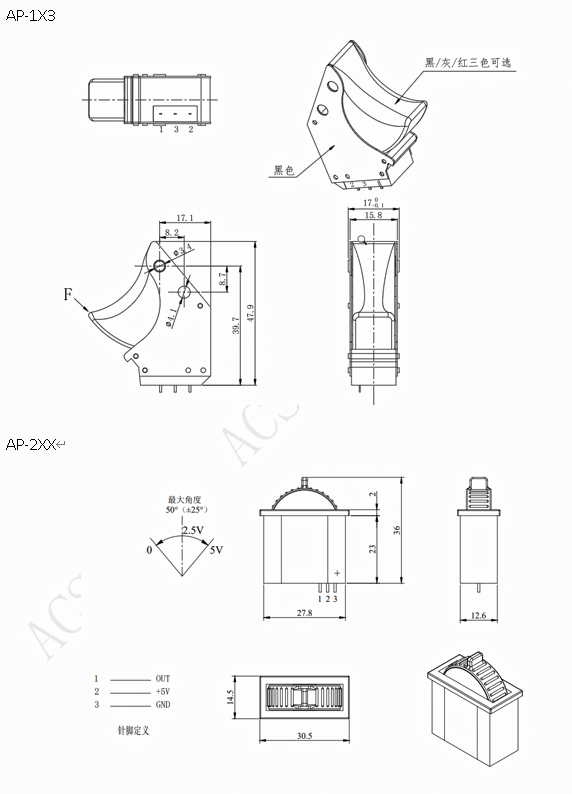
AP系列产品是适用于大部分操纵装置的开关部件,包括扳机(开关)、指拨轮、四向开关等。 扳机开关有1、 2 档,由1或2个微动开关组成,该产品可代替国外同类产品,采用高品质材料、全密封防水开关,先进的机械结构,超级档位手感,既有手感好、寿命长、防护性佳等特点。
【网站地图】【sitemap】

4001068626

联系地址:广东省广州市黄埔区东明三路18号智造谷A栋5楼

版权所有:Copyright @2009 广州技术有限公司 粤ICP备11071669号

企业公众号

企业公众号

【网站地图】【sitemap】